Canon DMC Mechanical Chassis Service Manual


Product picture Canon DMC Mechanical Chassis Service Manual

14.95 USD

Buy button

Canon DMC Mechanical Chassis service repair manual. This Canon DMC service repair manual illustrated picture and step-by-step instructions and used by Canon technician. With this service repair manual, you may easy repair you camera and save money send to workshop for repair.

This Canon DMC Manual Covered:
- Main Mechanical Parts
- Operations of Main Parts
- Mechanical Parts in Mode Transition
- Preparation
- Periodic Checkup and Maintenance
- Adjustment/Check of Mechanisms
- Adjustment of Tape Running Mechanism
- Mechanism Mode Setup Procedure
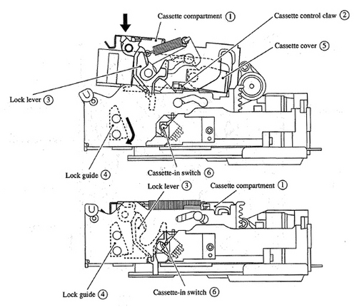
- Cassette Compartment
- Drum Unit
- Slide Chassis
- T Reel, T Main Brake and T Lock Brake
- Pinch Roller and Review Arm
- Tension Arm, Tension Belt, S Reel and S Brake
- HC Drive Lever, HC Lever, HC Roller and Flexible Holder
- S Guide Rail, T Guide Rail, Drum Base and Capstan Motor
- Loading Motor, Mode Gear Cover and Tension Arm Drive Lever
- Mode Lever and Eject Lever
- Slide Lever, Mode Gear, Cam Gear, Drive Gear, Capstan Gear, CR Gears and LM Gear
- Application of Supplies (grease, oil, etc.)

This is digital PDF manual. No shipping cost. Instantly Download and start reading in minute.

We guaranteed you will be HAPPY with these Manual.




Keywords: canon dmc service manual;canon mechanical chassis repair manual;dmc chassis repair guide manual;canon dmc chassis manual
File Size: 37.8 MBytes

Buy button
Do you want to become a reseller/affiliate and get 10.0% provision?
Embed: Create JavaScript Mobile Tag Widgets for your homepage
Canon DMC Mechanical Chassis Service Manual Canon DMC Mechanical Chassis Service Manual canon dmc service manual;canon mechanical chassis repair manual;dmc chassis repair guide manual;canon dmc chassis manual 141314742 14.95 notemanual Fresh Download Available!